KCM-Z04(高解像度ズーム)<トキナー FA & Macro<CCTVレンズ専門店:秋葉原ユニエル電子(Home)
有限会社ユニエル電子 ※ These products are sold only in Japan. お問い合わせ サイトマップ

画像処理用ズーム型高解像度マクロ専用レンズ。
トキナー・FA用(工業用/画像処理用)マクロ専用レンズ
Tokina

[メーカー紹介:(株)ケンコー・トキナー]
2011年6月、トキナー(Tokina)はケンコー(Kenko)と合併。前身のトキナー光学(旧:東京光器製作所)は1950年設立。
35mm一眼レフ(フィルム)カメラの交換レンズでもお馴染です。

  • KCM-Z04特徴
    • 超小型ズームレンズとして設置場所を有効利用。
    • 別売:2倍フロントコンバーター[KCM-2XFC04]により高倍率域での使用可能。
    • Cマウント仕様です。CSカメラに装着する場合はC/CSマウントアダプターが必要です。

型番 KCM-Z04
価格
消費税10%
税込:107,800円
(税別:98,000円)
光学倍率 0.13 - 0.4倍
作動距離:WD 200mm
被写界深度 42 - 4.8mm
分解能 120 - 40μm
対物側開口数:NA 0.009 - 0.026
適合撮像素子 1/2"型
マウント C-mount
同時落射 -
テレセン -
フィルターサイズ M18xP=0.5mm
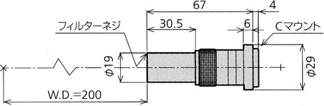
本体寸法 29φx67(71)Lmm
重量 40g

KCM-Z04

KCM-Z04寸法図

撮影範囲
(縦mmX横mm)
レンズ倍率(光学倍率)
0.13倍 0.2倍 0.3倍 0.4倍
撮影素子
サイズ
1/2"型 36 x 48 24 x 32 16 x 21.3 12 x 16
1/3"型 27 x 36 18 x 24 12 x 16 9 x 12
1/4"型 20.8 x 27.7 13.5 x 18 9 x 12 6.8 x 9
WD(作動範囲) 200mm

【備考】同じ[光学倍率]のレンズを使用した場合、撮像素子サイズの小さい方がモニター上の[拡大率]が上がります。
[撮影範囲]は計算値で管式モニターの場合、視野率はオーバースキャンのため90%位です。ご注意下さい。なお、画像素子サイズのインチ表示(")は撮像管式(真空管)時代の名残表記です。1/2"型が1/2インチと言う訳ではありません。



※ 専用2倍フロントコンバーター(別売品) ※ KCM-2XFC04併用時
型番 KCM-2XFC04
価格 税込:10,800円
(税別:10,000円)
備考

KCM-Z04専用
(2倍フロントコンバーター)

※ 装着により、WD(作動距離)が
90mmになります。

KCM-2XFC04寸法図
撮影範囲
(縦mmX横mm)
レンズ倍率(光学倍率)
0.8倍
撮影素子
サイズ
1/2"型 6.0 x 8.0
1/3"型 4.5 x 6
1/4"型 3.4 x 4.5
WD(作動範囲) 90mm
 

■参考 [マクロ撮影入門講座]・[テレセントリック]・[CCTVカメラ入門講座(用語解説)]
[▲TOP]