KV52514SSタスビジョン(TUSS Vision)<CCTVレンズ専門店:秋葉原ユニエル電子(Home)
有限会社ユニエル電子 ※ These products are sold only in Japan. お問い合わせ サイトマップ

■TUSS Vison (タスビジョン)
TUSS Vision

[メーカー紹介:タスビジョン馨 https://www.tussvision.com/
1984年創業の産業用(工業用・FA用)レンズの設計・開発・製造会社


 KVシリーズ:3MP(300万画素)対応) 1/2"

■3メガピクセル(300万画素)対応レンズ(Cマウント)
特徴:コンパクト設計・ダブルロック機構(フォーカス/アイリス)により、耐振動性を強化

※ 3MP(メガピクセル)=300万画素
焦点距離

絞り値

絞り機構

最短撮影距離

対応カメラ

価格:消費税10% メーカー 型番 備考
25mm F1.4-16 手動 0.25m 2/3"型C お尋ね下さい。 TUSS KV2514SS 3MP
(300万画素)

型 番 KV2514SS
価格
消費税10%
お尋ね下さい。
焦点距離 25mm
絞り範囲 F1.4-16
最短撮影距離 0.25m
適合撮像素子 2/3"型
マウント C-mount
画角(2/3"時) 20.1°(水平)
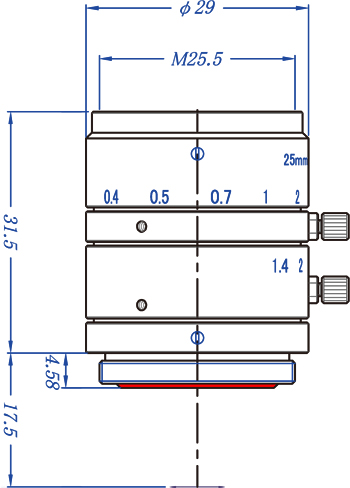
本体寸法 29φ×31.5(36.08)Lmm
本体重量 45 g
フィルター径 M25.5xP=0.5
絞り/距離 手動/手動
KV2514SS
25 mm
2/3 "型C
KV2514SS寸法図

[▲TOP]