LM16JC1MSKOWA(コーワ:興和)<CCTVレンズ専門店:秋葉原ユニエル電子(Home)
有限会社ユニエル電子 ※ These products are sold only in Japan. お問い合わせ サイトマップ

 ■興和(KOWA:コーワ)CCTV交換レンズ
興和 [メーカー紹介:興和光学(株)]
キャベジン、コルゲン等の興和ですが、光学機器分野の参入は医薬品より古い歴史があります。
往年のカメラ・コーワ6、景勝地での双眼鏡やフィールドスコープ等でファンが多い光学メーカーです

※ 平成25年4月、興和の子会社「(株)光研」が、社名変更し、興和光学(株)になりました。
  • 単焦点メガピクセル対応レンズ特徴
    • 2メガピクセル(200万画素)カメラ対応、小型かつ高性能・高品質。
    • 画像の歪みが少なく、画像処理用データの取り込みに最適。
    • フォーカス&アイリスロックつまみ付のため、振動等の環境に対応

■2メガピクセル対応レンズ
KOWA(興和) :2/3"型用高解像度レンズ

焦点距離

絞り値

絞り機構

対応カメラ

価格:消費税10% メーカー 型番 備考
16mm F1.4-16 手動 2/3"型C 税込:27,500円(税別:25,000円) Kowa LM16JC1MS 2MP
(200万画素)

型 番 LM16JC1MS
価格
消費税10%
税込:27,500円
(税別:25,000円)
焦点距離 16 mm
絞り範囲 F1.4-16
最短撮影距離 0.2m
適合撮像素子 2/3"型
マウント C-mount
画角(2/3"時) 30.0°(水平)
画角(1/1.8"時) 24.7°(水平)
画角(1/2"時) 21.8°(水平)
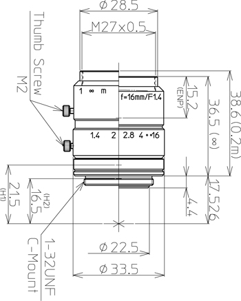
本体寸法 33.5φ×38.6(43)Lmm
本体重量 85g
フィルター径 M27xP=0.5mm
絞り/距離 手動/手動
LM16JC1MS
16 mm
2/3 "型C
LM16JC1MS寸法図

■近接時の撮影距離(WD)と視野サイズ
撮影距離:WD(mm) 光学倍率 接写リング 視野サイズ(mm):VxH ※ 計算値
2/3"型時
(6.6x8.8)
1/1.8"型時
(5.4x7.2)
1/2"型時
(4.8x6.4)
200mm 0.078 x - 84.4x112.8 68.7x91.8 61.0x81.5
110mm 0.14 x 1mm 47.1x62.9 38.6x51.4 34.3x45.7
接写リングはこちらです。   

※※上記以外の興和(KOWA:コーワ)CCTVレンズお取り寄せ承ります