M2528-MPW3CBC(computar)<CCTVレンズ専門店:秋葉原ユニエル電子(Home)
有限会社ユニエル電子 ※ These products are sold only in Japan. お問い合わせ サイトマップ

■CBC(computar)CCTVレンズ
CBC
computar
[メーカー紹介:CBC]
旧社名は中外貿易。合成樹脂から衣料製品、医薬品を取り扱うケミカル系のメーカーであり商社です。
CCTVのブランド名はシステム系がGANZ(ガンツ)、レンズはcomputar(コンピューター)です。
CBCのcomputarレンズは業界一のシェアを持つトップブランドです。
  • MPW3シリーズ、メガピクセル対応レンズ特徴 (チラシPDF書類:1.26MB)
    • 2/3"型 600万画素のカメラ対応。
    • より広いWD(作動距離)に対応。
    • フォーカス&アイリスロックつまみ付のため、振動等の環境に対応

■6メガピクセル対応レンズ
CBC(computar) :2/3"型用高解像度レンズ (※CSカメラに装着する場合はC/CSマウントアダプターが必要です。 )

焦点距離

絞り値

絞り機構

最短撮影距離

対応カメラ

価格:消費税10% メーカー 型番 備考
25mm F2.8-16 手動 0.2m 2/3"型 税込:43,120円(税別:39,200円) CBC M2528-MPW3 6メガピクセル

型 番 M2528-MPW3
価格
消費税10%
税込:43,120円
(税別:39,200円)
焦点距離 25 mm
絞り範囲 F2.8-16
最短撮影距離 0.2m
適合撮像素子 2/3"型
マウント C-mount
画角(2/3"時) 19.9°(水平)
画角(1/1.8"時) 16.3°(水平)
画角(1/2.5"時) 13.0°(水平)
本体寸法 29φ×32(38.8)Lmm
本体重量 42g
フィルター径 M27.0xP=0.5mm
絞り/距離 手動/手動
M2528-MPW3
25 mm
2/3 "型C
仕様書PDF (131KB)
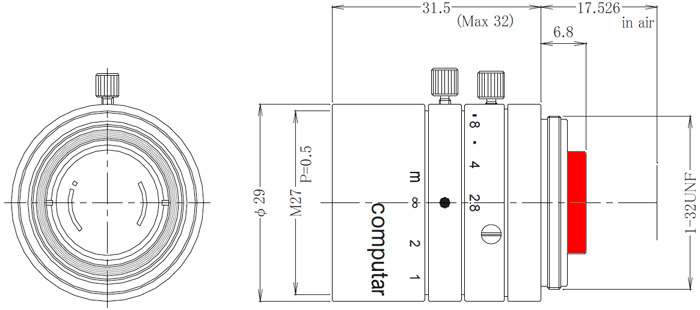
M2528-MPW3寸法図
※ [ご注意] レンズ後玉(赤色部)がマウント部より
出っ張る為、装着できないカメラもあります。
[コラム:後玉解説]

■近接時の撮影距離(WD)と視野サイズ
WD(mm)
撮影距離
光学倍率

接写リング
(mm)

視野サイズ(mm):V x H
2/3"型時
1/1.8"型時
1/2.5"型時
1,000
0.025
-
263.7x351.1
215.9x287.6
171.9x227.8
900
0.028
-
237.3x316.1
194.3x258.8
154.8x205.1
800
0.031
-
211.0x281.0
172.7x230.1
137.6x182.3
700
0.036
-
184.7x246.0
151.2x201.4
120.4x159.5
600
0.042
-
158.3x210.9
129.6x172.7
103.2x136.8
500
0.050
-
132.0x175.9
108.0x144.0
86.0x114.0
450
0.056
-
118.8x158.4
97.2x129.6
77.4x102.6
400
0.062
-
105.7x140.8
86.5x115.3
68.9x91.3
350
0.071
-
92.5x123.3
75.7x100.9
60.3x79.9
300
0.083
-
79.3x105.8
64.9x86.5
51.7x68.5
250
0.100
-
66.1x88.2
54.1x72.2
43.1x57.1
200
0.125
-
53.0x70.7
43.3x57.8
34.5x45.7
150
0.166
1.0
39.8x53.1
32.5x43.4
25.9x34.3
100
0.249
3.0
26.6x35.6
21.7x29.0
17.3x22.9
 ※視野サイズ= 素子サイズ/光学倍率
※※接写リングはこちらです。

※上記以外のCBC(computar)製品お取り寄せ承ります。URL:http://www.cbc.co.jp
[▲TOP]