V1226-MPZCBC(computar)<CCTVレンズ専門店:秋葉原ユニエル電子(Home)
有限会社ユニエル電子 ※ These products are sold only in Japan. お問い合わせ サイトマップ

■CBC(computar)CCTVレンズ
CBC
computar
[メーカー紹介:CBC]
旧社名は中外貿易。合成樹脂から衣料製品、医薬品を取り扱うケミカル系のメーカーであり商社です。
CCTVのブランド名はシステム系がGANZ(ガンツ)、レンズはcomputar(コンピューター)です。
CBCのcomputarレンズは業界一のシェアを持つトップブランドです。
  • メガピクセル対応レンズ特徴
    • 1"型(φ16mm)大型素子に対応。
    • 20メガピクセル(2000万画素)、2.5μmの高解像度。[対応センサ:IMZ255(1"・8.9MP・3.45μm)・IMZ183(1"・20MP・2.4μm) 他]
    • 短WD・低ディストーション・コンパクトデザイン。
    • フローティング機構・高い周辺光量。
    • フォーカス&アイリスロックつまみ付のため、振動等の環境に対応。5G耐震。

■20メガピクセル対応レンズ
CBC(computar) :1"型用高解像度レンズ (※CSカメラに装着する場合はC/CSマウントアダプターが必要です。 )

焦点距離

絞り値

絞り機構

最短撮影距離

対応カメラ

価格:消費税10% メーカー 型番 備考
8mm F2.6-16 手動 0.1m 1"型 税込:88,000円(税別:80,000円) CBC V0826-MPZ 20メガ

型 番 V0826-MPZ
価格
消費税10%
税込:88,000円
(税別:80,000円)
焦点距離 8 mm
絞り範囲 F2.6-16
最短撮影距離 0.1m
適合撮像素子 1"型
マウント C-mount
画角(1"時) 76.6°(水平)
画角(2/3"時) 57.1°(水平)
画角(1/1.8"時) 47.8°(水平)
本体寸法 69.5φ×55.23(62.83)Lmm
本体重量 203.1g
フィルター径 -(※)
絞り/距離 手動/手動














V0826-MPZ
8mm
1"型C
※ レンズフード(フィルター枠無)付

[仕様書:PDF書類]


※ 別売フィルター枠アダプタ
(付属のフードを外して装着します)
型 番 ZM0810
価格
消費税10%
税込:4,125円
(税別:3,750円)
フィルター径 M82xP=0.75
仕様書 PDF書類(232KB)
ZM0810
 
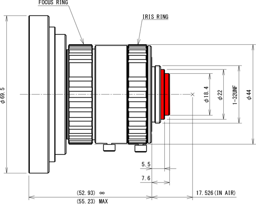
V0826-MPZ寸法図
※[ご注意]レンズ後玉がマウント部より出っ張る為、
装着出来ないカメラもあります。

[コラム:後玉解説]

■近接時の撮影距離(WD)と視野サイズ
WD(mm)
撮影距離
光学倍率

接写リング
(mm)

視野サイズ(mm):V x H (縦 x 横)
1"型時
2/3"型時
1/1.8"型時
1,000
0.009
-
1,211.4x1,619.6 825.6x1,108.2 672.9x902.4
500
0.016
-
616.3x825.7 419.6x563.7 342.0x458.7
250
0.031
-
318.7x428.6 216.6x291.3 176.5x236.9
200
0.039
-
259.2x349.1 176.0x236.8 143.4x192.5
150
0.050
-
199.6x269.6 135.4x182.3 110.3x148.1
100
0.071
-
140.0x189.9 94.8x127.8 77.2x103.7
※視野サイズ= 素子サイズ/光学倍率

※上記以外のCBC(computar)製品お取り寄せ承ります。URL:http://www.cbc.co.jp
[▲TOP]